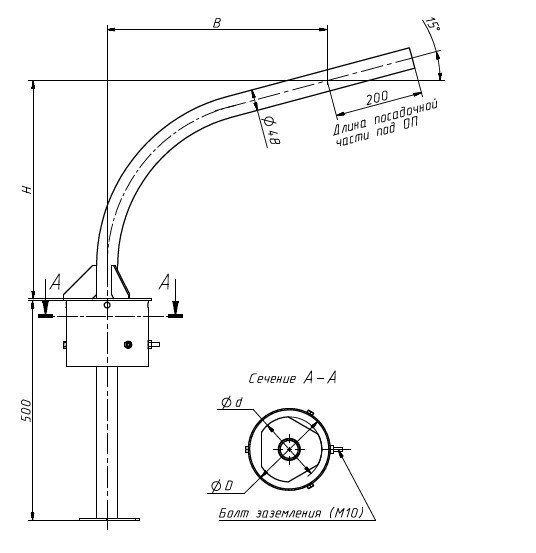
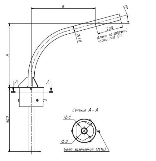
Кронштейн ТАНС.41.497.000 (1.К1-1,0-1,0-О10-ц)
- Обзор

- Характеристики
Производитель Opora Engineering Серия кронштейна Стандарт (серия 1) Вылет кронштейна 1.0 Высота кронштейна 1.0 Кол-во посадочных мест под ОП 1 Тип установки кронштейна (О) Обечайка Тип крепежа светильника (К) Консольный Вид покрытия (Ц) Горячее цинкование

